315
收藏
研晟考研,专注清华北大等985/211名校考研辅导,拥有完善的服务团队,专属定制化的考研备考规划,力争实现每位学子的考研梦、名校梦。
2 分立元件放大电路(每小题 15 分,共 45 分)
(1)区别在于前后级间耦合的方式 2
图 2.1 为直接耦合电路 2
图 2.2 为(电)阻容耦合电路 2
图 2.1 能够放大直流信号 3
图 2.2 适于放大交流信号(或两者) 3
图 2.2 温飘更小,因为温飘是缓慢变化的,会被电容隔离 3
(2)①差分;②差分;③阻容;④光电;⑤变压器。 3*5
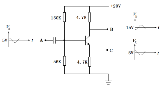
(3)VB--8,VC--7
